Соединительный комплект

В корзину
IP
  • 00
IK
  • 10
Скачать 2D чертеж Скачать 3D чертеж
Цена
2 636 руб.
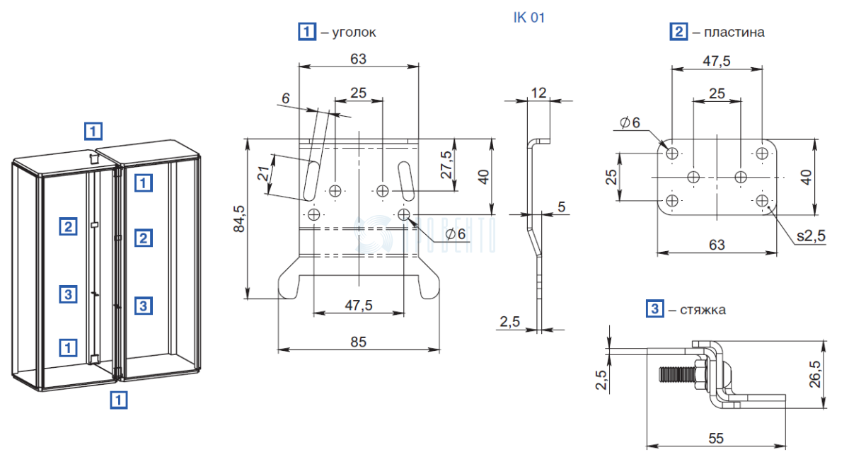
Предназначен для объединения двух рам напольных распределительных шкафов сбоку или сзади.

Подробная информация в каталоге - перейти на стр.223
Количество в комплекте
1